Клапан нормально закрытый AR-YCWS10-17GL





Описание
Клапан соленоидный нормально закрытый непрямого действия с диафрагмой AR-YCWS10-17GL предназначен для управления потоком рабочей среды в трубопроводе
Особенности:
- Возможность использования в пищевых устройствах: кулерах, бойлерах, кофемашинах
- Наружная резьба
- Входной двойной фильтр грубой очистки: съемные пластиковая сетка и сетка из нержавеющей стали
- Пониженное энергопотребление
- Компактный размер
- Долгий срок службы
- Ламели для подключения в комплекте
Принцип действия и область применения: Нормально закрытый соленоидный клапан – это магнитный клапан, в котором закрытое положение сохраняется, если управляющее напряжение на его индукционную катушку не подается. При подаче напряжения на катушку нормально закрытый клапан открывается и пропускает через себя поток рабочей среды. При отключении управляющего напряжения этот клапан автоматически закрывается и перекрывает поток рабочей среды в трубопроводе. При обрыве провода управляющего напряжения клапан будет закрыт.
В большинстве случаев подходит для эксплуатации в системах водоснабжения, теплоснабжения, вентиляции и пневмоуправления. Особенно актуально применение данного типа клапана, когда клапан должен быть закрыт большую часть времени либо когда он обязательно должен быть закрыт при отключении электропитания системы.
Для герметизации резьбовых металлических соединений рекомендуется использование анаэробных герметиков.
Технические характеристики:
| Параметр |
Значение |
| Рабочая среда |
Вода, горячая вода, масла, воздух, инертные газы |
| Материал |
Корпуса: полиацеталь Уплотнения: NBR |
| Температура рабочей среды |
−10...+80°С |
| Рабочее давление |
0,02...0,8 МПа |
| Диаметр условного прохода |
15 мм |
| Присоединение |
Резьбовое наруж. G½" |
| Катушка |
SA41B, IP20 |
| Питание |
~220 В, ~110 В, ~24 В, =36 В, =24 В, =12 В, =6 В |
| Мощность |
5 ВА (АС), 5 Вт (DC) |
Модификации:
| Обозначение |
Ду, мм |
Дэф, мм |
Kv, м³/ч |
Присоединение |
Pmin, МПа |
Pmax, МПа |
Вес, г |
| AR-YCWS10-17GL-15/9-1/2-GLN |
15 |
9 |
1,03 |
наруж. G½" |
0,02 |
0,8 |
88 |
Расшифровка обозначения клапана AR-YCWS10-17GL-15/9-1/2-XYZ:
AR-YCWS10-17GL – модель клапана.
15 – диаметр условного прохода в мм.
9 – эффективный диаметр в мм, если Дэф<Ду.
1/2 – диаметр присоединения в дюймах.
X – присоединение: G – трубная резьба.
Y – материал корпуса: L – полиацеталь.
Z – материал уплотнения: N – NBR.
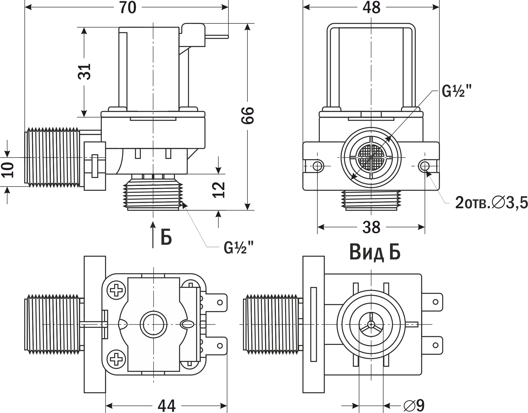
| Габаритные размеры |
|
Характеристики
| Серия | AR |
| Особенности | Для воды и воздуха, Пластиковые, Для агрессивных сред |
| Принцип действия | Непрямого действия (пилотный) |
| Материал корпуса | Полиацеталь |
| Тип механизма | Мембранный |
| Уплотнение | NBR |
| Тип присоединения | Муфтовый (резьбовой) |
| Диапазон давления ∆P | 0.2 — 8 |
| Рабочая температура °С | −10...+80 |
| Напряжение катушки | AC220V, AC110V, DC12V, DC24V, DC6V |
| Класс защиты | IP65 |
| Гарантия | 12 месяцев |

































